¿Cómo hacen las computadoras para sumar y resolvernos problemas tan rápido? [VIDEO]
Para muchos, el funcionamiento de una computadora es muy difícil de comprender, pero ¿sabías que todo parte de un sencillo pero ingenioso diseño de circuitos que les permite sumar como lo hacemos nosotros?
- ¿Utilizas billeteras digitales en tu smartphone? Así puedes cuidar tu dinero y evitar fraudes
- ¿Te acaban de hackear? Estos son los pasos que debes seguir en los primeros 15 minutos
Si alguna vez usaste una PC, laptop, smartphone, consola de juegos, tablet o hasta una calculadora, quizá pasaste por alto el hecho de que, para estas máquinas, el realizar desde una simple suma hasta operaciones más complejas como los videojuegos supone un gran logro de ingeniería que muy pocos conocen, pero que deja sorprendidos a muchos hasta hoy. ¿Te animarías a descubrirlo de una forma rápida y sencilla? Aquí te lo explicaremos.
¿Cómo pueden las computadoras calcular tan rápido? Primero es preciso señalar que “computar” significa en este contexto “procesar”. La magia de tu PC, laptop o smartphone recae en su habilidad de recibir un dato —por ejemplo, un número, una palabra, el tecleado de una letra, el movimiento de un mouse— y devolver otro: el resultado de una suma, un cambio gráfico en la pantalla, etc. Esto es lo que se conoce como “input” y “output” (entrada y salida en inglés).
TE RECOMENDAMOS
TEMU VS. ALIEXPRESS: ¡AQUÍ ESTÁN LOS MEJORES PRECIOS! | TECHMOOD
PUEDES VER ¿Piensas comprar una PC o laptop? Conoce por qué es importante que tengan una buena memoria RAM
La suma
Una PC es capaz de hacer procesos como las sumas y operaciones matemáticas casi instantáneamente y, aunque no lo creas, esto es lo que permite hacer múltiples actividades como escribir un documento en Word, disfrutar de un videojuego, hasta grandes avances para la humanidad, como calcular las trayectorias de la llegada a la Luna, entre otros ejemplos. ¿Cómo lo hacen?
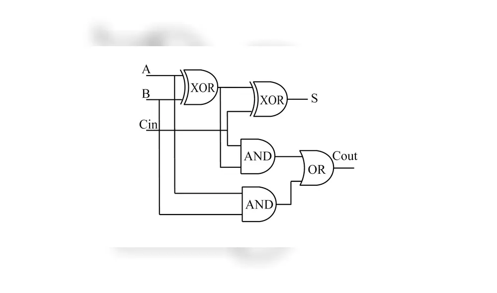
Todo parte de una sencilla obra de ingeniería llamada sumador —más conocida por su término en inglés: Full Adder—. ¿Qué es? Se trata de un circuito digital que, de cierta manera, realiza sumas comunes y corrientes con un método muy parecido al que usamos nosotros, los humanos: por unidades, decenas y centenas.
Sistema binario
Este circuito funciona usando los operadores lógicos comunes, como “y”, “o”, condicionales, bicondicionales, etc. (llamados en ingles “and”, “or”, “xor”, “nor”, etc). algo que muchos niños aprenden en una clase de razonamiento matemático, pero sin saber su aplicación real.
Para que las computadoras realicen sumas, utilizan el sistema binario donde solo se enfocan en dos cifras: el 0 y el 1, a diferencia del sistema decimal que muchos usamos donde nos concentramos desde el 0 a 9.
El gran logro de una computadoras es que, utilizando todos estos conceptos y el uso de magnetismo, electrónica y conductores como el silicio, puede “imitar” el razonamiento humano que nos permite realizar operaciones matemáticas como la suma y la multiplicación, pero a una velocidad automática.
¿Te interesa saber cómo funciona esto? Primero debes enterarte cómo se suma en sistema binario. Para ello, te recomendamos revisar este corto video:
Una vez comprendido este sistema, solo resta saber cómo funcionan los circuitos lógicos (Full Adder) de una computadora para realizar una suma: para eso te dejamos este otro video que explica todos los pasos que ejecuta una PC para hacer una simple suma:
¿Te impresionaste? Es lo de menos, pues se trata de un proceso que resume siglos de múltiples inventos e ingenio. Desde el primer dispositivo que permitía hacer sumas como la pascalina, hasta los avances en álgebra de Boole y las máquinas analíticas de Babbage. Por todo ello, se suele definir a la computación como la tercera revolución industrial.





























